Winchester 1882 Tool Decapping Pin Drawings

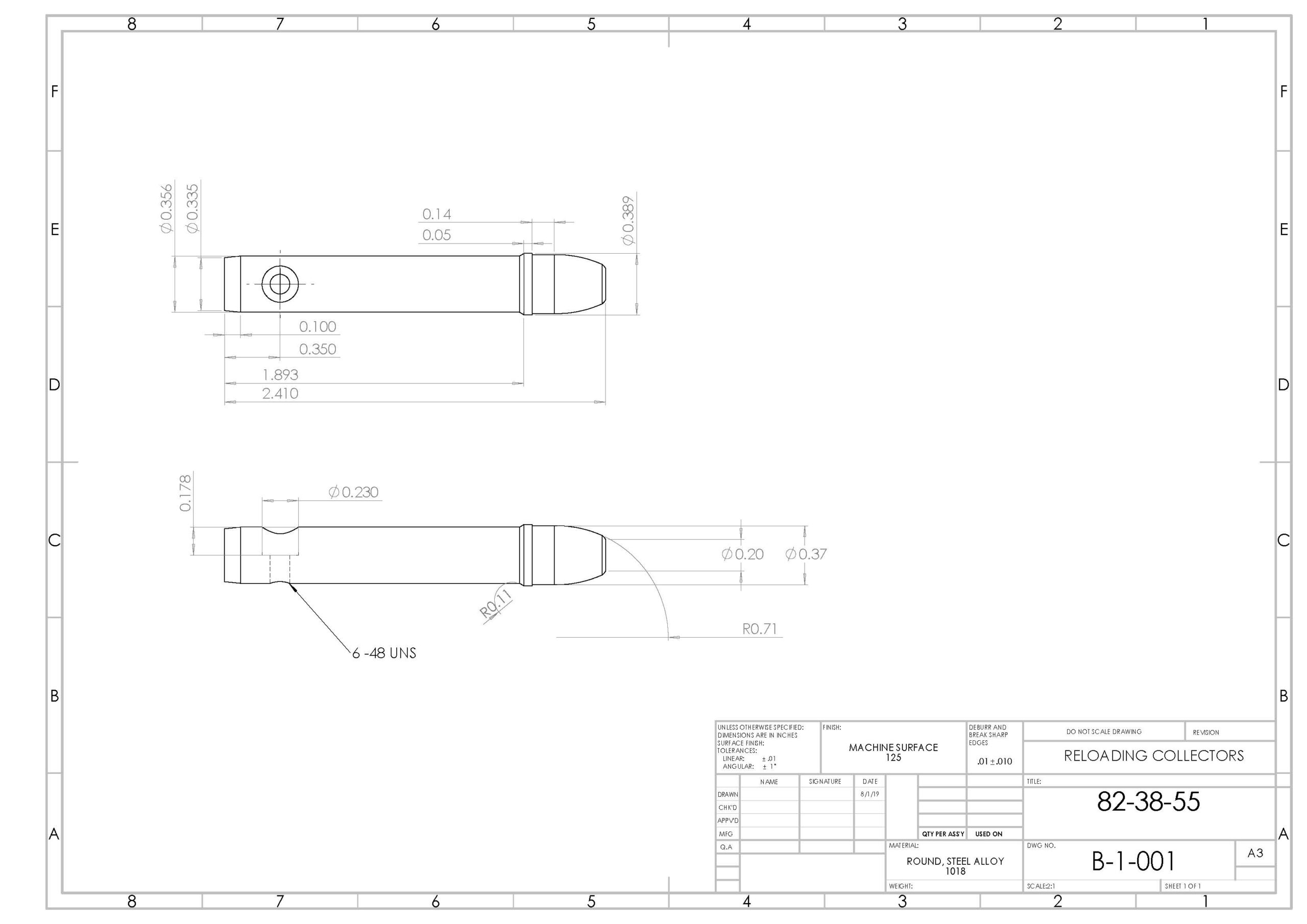
82-38-55

82-38-SW

82-38-W

82-32-W

82-25-20-W

82-45-W

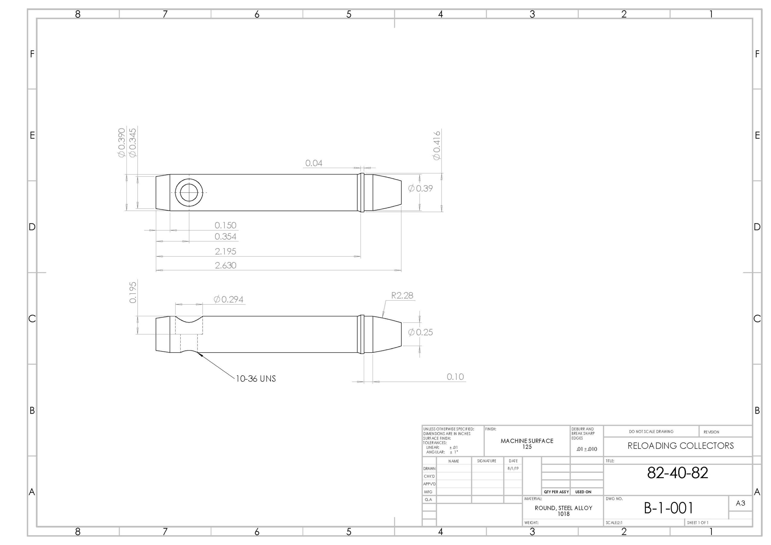
82-40-82

82-44-Russ

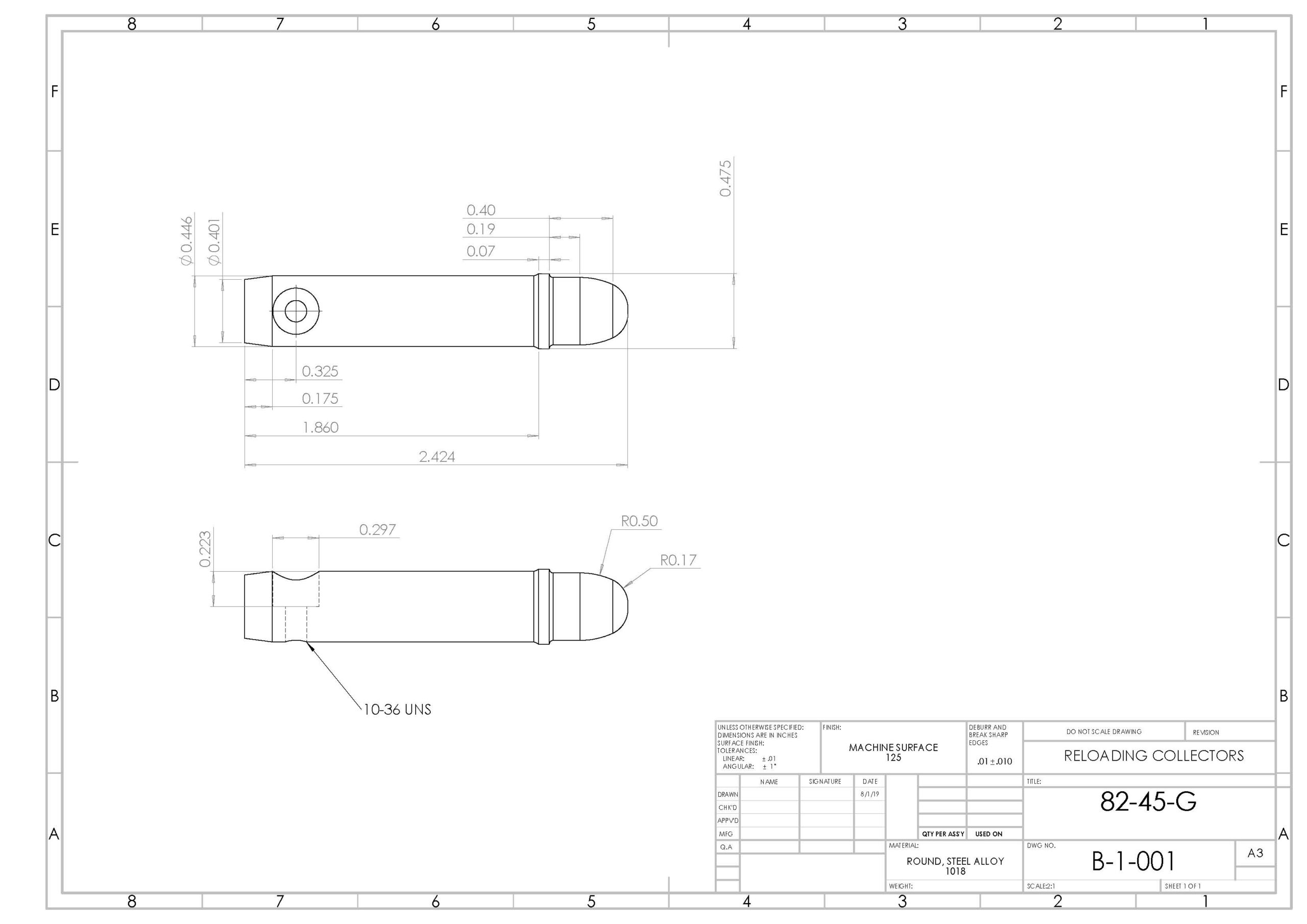
82-45-G

82-45-90

82-44-W

82-40-65-W