Winchester 1888 Tool Die Drawings

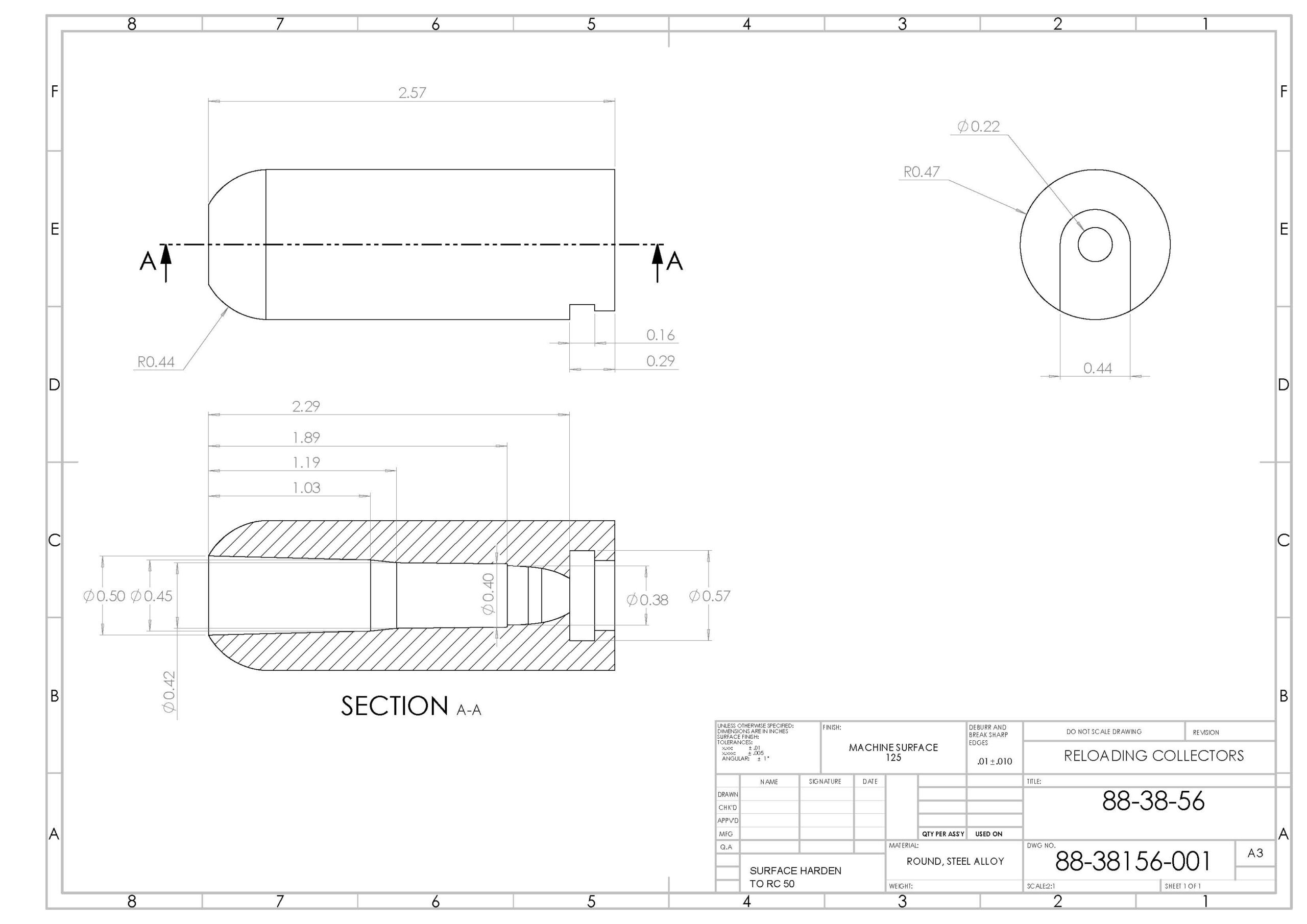
88-38-56 RC

88-38-55 RC

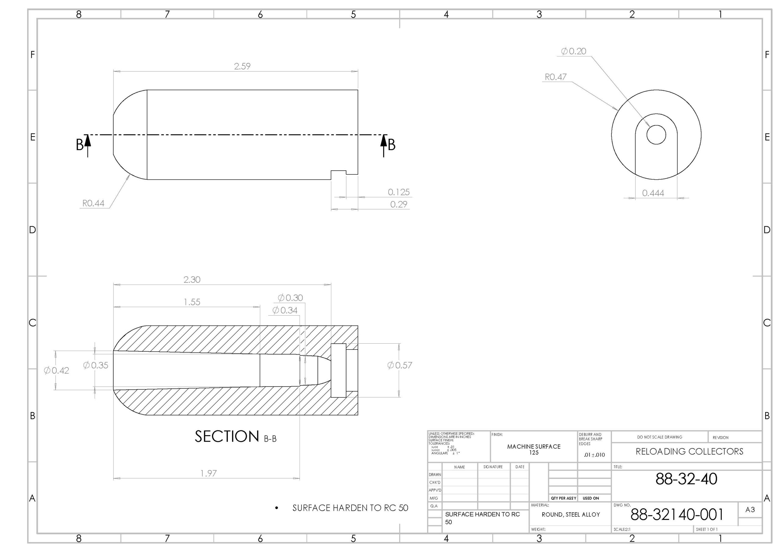
88-32-40 RC

88-50-110 RC

88-40-82 RC

88-45-70 RC